Home » Connectors » Coaxial Connectors » BNC » C-SX-131 – Edge Mounting BNC Connector
The C-SX-131 is part of our legacy range and is available to new and existing customers, as a manufactured to order part. For new designs, our XBS-12-EB16-NNS-AA offers all frequencies up to 12GHz with improved performance at the lower frequencies and is a cost-effective option when compared to the 6GHz options.
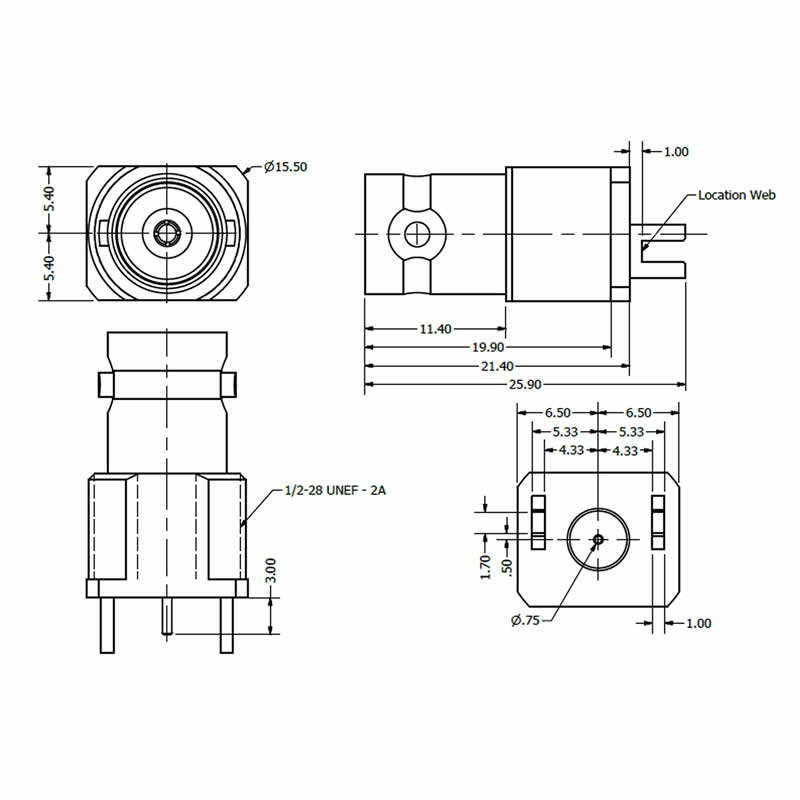
The C-SX-131 is a PCB edge mounted BNC Connector which meets the SMPTE 424M standard, allowing bit-rates of 2.970Gbit/s over a single coaxial connection. The PCB edge mounting style minimises signal path discontinuities while the location webs ensure an accurate position is obtained in PCB production.
| Impedance | 75Ω |
| Frequency Range | 0 – 6GHz |
| Working Voltage | 500Vrms |
| Dielectric Withstanding Voltage | 1500Vrms |
| Reflection Factor (VSWR) | 1.09 (max) DC – 3GHz 1.29 (max) 3 – 6GHz |
| Contact Resistance | Centre contact 1.5mΩ Outer contact 1.0mΩ |
| Insulation Resistance | >5000M Ω |
| Connector Type | Female |
| Metal Parts | Brass / Ni |
| Centre Pin | Phosphor Bronze / 10µ”Au |
| Insulators | PTFE |
| Temperature Range | -65 to +85°C |
| Vibration | MIL-STD-202 Method 204 test conditions B |
| Salt Spray | MIL-STD-202 Method 101 test conditions B |
| Mating Cycles | 250 |
| Processing | Maximum wave and hand soldering temperature 265°C |
| Mounting Type | Edge Mounted |
| Board Thickness | 1.6mm |
| Hardware | Supplied with hex nut and shakeproof washer |