Up to 3GHz

XBS-03-EB16-NN – 3GHz Edge Mounting BNC Connector with Location Webs
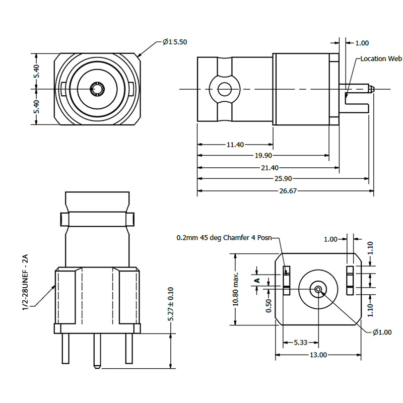
XBS-03-EB16-NN – 3GHz Edge Mounting BNC Connector with Location Webs

XBS-03-EB16-NN – 3GHz Edge Mounting BNC Connector with Location Webs

Product Code: XBS-03-EB16-NN

The XBS-03-EB16-NN is an edge mounted PCB connector which is designed for a PCB thickness of 1.6mm.

Impedance 75Ω
Frequency Range 0 – 3GHz
Working Voltage 500Vrms
Dielectric Withstanding Voltage 1500Vrms
Reflection Factor (VSWR) 1.08 (max) DC – 1.5GHz 1.16 (max) 1.5 – 3GHz
Contact Resistance Centre contact 1.5mΩ Outer contact 1.0mΩ
Insulation Resistance 5000mΩ
Connector Type Female
Metal Parts Brass / Ni
Centre Pin Phosphor Bronze / 10µ Au
Insulators PTFE
Temperature Range -65 to +85°C

This connector is available as:
XBS-03-EB16-NN as the connector only part
XBS-03-EB16-NN-AA when supplied with a hex nut and crinkle washer (formerly C-SX-058)
XBS-03-EB16-NN-CA when supplied with a 2-slot circular nut and crinkle washer (formerly C-SX-076)

Processing Maximum hand soldering temperature 265°C
Mounting Type Edge Mounted
Board Thickness 1.6mm
Hardware Available separately

Related Products