Home » Connectors » DIN41612 Connectors » C Body » C/3 Body DIN 41612
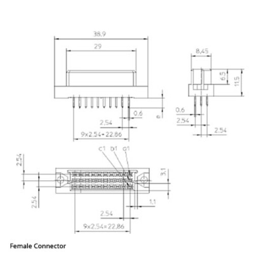
The DIN 41612 C/3 type body offers a choice of two contact arrangements over 3 rows. It is complimentary to the standard C body connector range and has an overall width of 38mm. It is available in both male and female connection types.
This is a PCB mounted connector and is offered with right angle and straight solder tails for 1.6mm PCB thicknesses. For PCB boards of 2.4mm thick or if press-in termination is required for 1.5 to 4.0mm depth, then a longer straight solder tail specification is available. Wire wrap tail and hand solder eyelets are also available.
Each DIN 41612 connector is offered with a number of different contact and termination finishes.
| Contact Resistance | ≤20mΩ |
| Insulation Resistance | ≥10 6 MΩ |
| Connector Type | Male / Female |
| Current Rating | 1.5A at 20°C 1A at 80°C 0.75A at 100°C |
| Proof Voltage | Contact / Contact 1000Vrms Contact / Test Panel 1550Vrms |
| Connector Body | Glass Fibre Filled Polyester |
| Male Contact | Copper Alloy |
| Female Contactl | Phosphor Bronze |
| Contact Plating | Ni / Au Ni / PdNi / Au |
| Temperature Range | -55 to +125°C |
| Flammability | UL 94 V-O |
| Insertion Force | 21 pole ≤20N |
| Retention Force | ≥0.15N / Contact Pair |