Home » Connectors » Coaxial Connectors » BNC » XBS-03-RB17-GGV – Right Angle PCB Mounting BNC Connector with Pathfinder Light Pipe
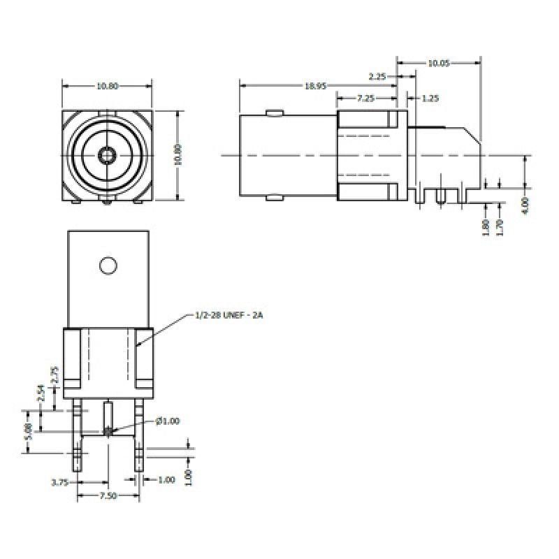
This precision 75Ω BNC Connector is a right angle mounted PCB connector for a 1.6mm board thickness. It also features PathfinderTM light pipe technology which aids port identification. With a centre line of 4mm above the board, its low profile permits closer packing densities
of daughter boards, which allows reduction in the bulk of routing and switching equipment.
This connector was formerly sold as C-SX-087G
| Impedance | 75Ω |
| Frequency Range | 0 – 3GHz |
| Working Voltage | 500Vrms |
| Dielectric Withstanding Voltage | 1500Vrms |
| Reflection Factor (VSWR) | 1.06 (max) DC – 1.5GHz 1.33 (max) 1.5 – 3.0GHz |
| Contact Resistance | Centre contact 1.5mΩ Outer contact 1.0mΩ |
| Insulation Resistance | 5000mΩ |
| Connector Type | Female |
| Metal Parts | Die Cast Zinc / Ni / Au |
| Centre Pin | Phosphor Bronze / 10µ Au |
| Insulators | UL94 HB TPX |
| Temperature Range | -65 to +85°C |
| Mating Cycles | 250 |
| Processing | Maximum wave and hand soldering temperature 265°C |
| Mounting Type | Right Angled |
| Leg Length | 1.7mm |
| Hardware | Available separately |
The ANB-C20ABN-2.50 is a circular BNC nut which is 2.5mm thick and nickel plated.
This nut was previously sold as 71X-0041-33
The ANB-C2-ABG-2.50 is a circular BNC nut which is 2.5mm thick and gold plated.
This nut was previously sold as 71X-0041-36
The ANB-C2-ANO-4.00 is a circular BNC nut which is 4.0mm thick and made from nylon. It is available in other colours.
This part was previously sold under part number 71X-0046-00
The ANB-C4-ASN-2.50 is a 4 slot circular BNC nut which is 2.5mm thick and made from mild steel with a nickel plating. The mild steel material makes this particularly useful with magnetic tools.
This nut was previously sold as part number 71X-0057-33
The standard hex nut is made from brass with a nickel plating.
This Hex Nut was previously sold as part number 71X-0018-33.
The BNC crinkle washer is made from brass with a nickel plating.
The crinkle washer was formerly sold under part number 71X-0043-33.