Home » Connectors » Coaxial Connectors » DIN 1.0 / 2.3 » XGS-06-RB26-NG – Right Angle DIN 1.0/2.3 Bulkhead Mounted Connector
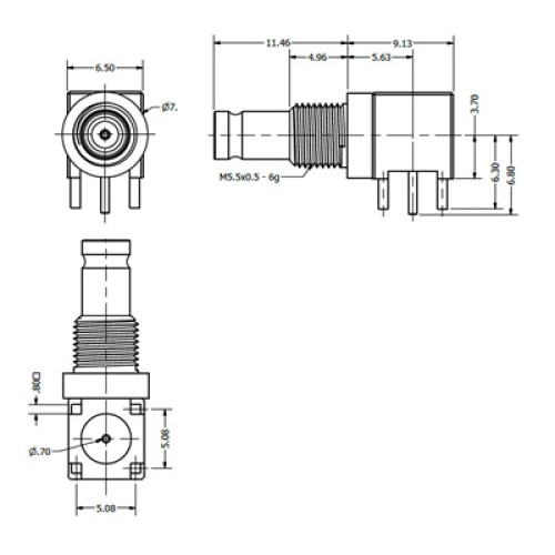
The XGS-06-RB26-NG is a right angle PCB bulkhead mounted connector which conforms to the standard of SMPTE ST 2081-1 and CXP-6, allowing bit-rates of 5.94Gbit/s over a single coaxial connection. The 8mm pitch and low profile of the connector enables double wiring densities and is optimised for use in 6G HD-SDI applications.
| Impedance | 75Ω |
| Frequency Range | 0 – 6GHz |
| Working Voltage | 250Vrms |
| Dielectric Withstanding Voltage | 750Vrms |
| Contact Resistance | Centre contact 4.0mΩ Outer contact 2.5mΩ |
| Insulation Resistance | 1000MΩ |
| Reflection Factor (VSWR) | 1.11 (max) DC – 3.0GHz 1.29 (max) 3.0 – 6.0GHz |
| Connector Type | Female |
| Metal Parts | Brass / Au / Ni |
| Centre Pin | BeCu / 10µ Au |
| Insulators | PTFE |
| Temperature Range | -65 to +85°C |
| Mating Cycles | 500 |
This connector is available as:
XGS-06-RB26-NG as a connector only part (formerly C-SX-187GN)
XGS-06-RB26-NG-AZ when supplied with a 2 slot circular nut (formerly C-SX-113GN)
XGS-06-RB26-NG-BZ when supplied with a 2 slot slim circular nut (formerly C-SX-175)
| Mounting Type | Right Angled |
| Leg Length | 2.6mm |
| Hardware | Available separately |
| Processing | Maximum wave and hand soldering temperature 265°C |
The ANG-C2-BBN-2.30 is a standard 1.0 / 2.3 nut which is 2.30mm thick and made from Brass with nickel plating.
This nut was previously sold as part number 71X-0048-33.
The ANG-C2-BBN-1.80 is a circular DIN 1.0 / 2.3 nut which is 1.8mm thick and made from Brass with nickel plating.
This part was previously sold as part number 71X-0053-33.
The ANG-C4-BBN-1.80 is a 4 slot circular Din 1.0 / 2.3 nut which is 1.8mm thick and made from Brass with nickel plating.
This part was previously sold under part number 71X-0058-33.
The ANG-H0-BBN-1.50 is a DIN 1.0/2.3 M5.5 Hex Nut which is made from Brass with a nickel plating.
This nut was previously sold as part number 71X-0068-33.