Home » Accessories » ANP-C2-DBN-1.50 – 2 Slot Circular Micro BNC Nut for Dual Ports
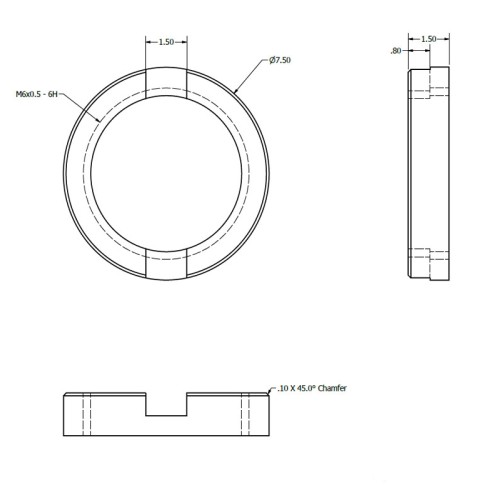
The ANP-C2-DBN-1.50 is a 2 slot circular Micro BNC nut which is 1.5mm thick and made from brass with a nickel plating. This part is made for dual port Micro BNC’s and has a thread size of M6x0.5- 6H.
This part was previously sold under part number 71X-0069-33.
| Body Finish | Brass / Ni |
Micro BNC Nut Driver head for use with electric screwdriver/drill
A professional version of our Micro BNC Nut Driver head, specifically designed for use with our dual-port Micro BNC nuts, for use with an electric screwdriver/drill. The tool is hardened to make this robust for high volume usage.
The design of this dual port connector allows for optimum signal integrity at 12GHz. It complies with the 4K/Quad HD and Ultra HD broadcast standards as well as the JIIA CXP-12 CoaXPress specification. The XPS-12-RB15-GNDHP features harpoons to assist with placement of the connector on the PCB, but contacts and ground pins of a shorter length, that are housed within the board (sub-terrain), which reduces the possibility for the signal to create either an antenna or crosstalk to other components on the board at the higher frequency range.
Our range of 12GHz Precision Micro BNC coaxial connectors are optimised for 4K/Quad HD and Ultra HD Broadcast applications whilst meeting the JIIA CXP-12 CoaXPress specification. These high performance connectors allow you to achieve a 12GHz channel in one single connection. The Micro BNC connectors are mateable with any standard Micro BNC connector. The XPS-12-RB24-GND is a dual port Micro BNC connector, removing the need for PCB mezzanine configurations in high density applications.
Our range of 12GHz Precision Micro BNC coaxial connectors are optimised for 4K/Quad HD and Ultra HD Broadcast applications whilst meeting the JIIA CXP-12 CoaXPress specification. These high performance connectors allow you to achieve a 12GHz channel in one single connection. The Micro BNC connectors are mateable with any standard Micro BNC connector. The XPS-12-RB24-GNDO is a dual port Micro BNC connector with a through hole pins, which features enlarged flanges at their mating parts and the connector body is finished with gold plate.