Home » Connectors » Coaxial Connectors » BNC » XBS-03-RB40-NNV – Right Angle PCB Mounting BNC Connector with Pathfinder Light Pipe
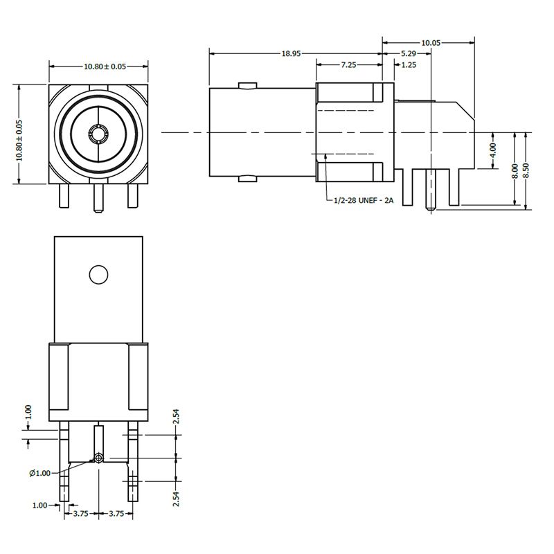
This precision 75Ω BNC Connector is a right angle mounted PCB connector for surface mount applications. It also features PathfinderTM light pipe technology which aids port identification. With a centre line of 4mm above the board, its low profile permits closer packing densities of daughter boards, which allows reduction in the bulk of routing and switching equipment.
| Impedance | 75Ω |
| Frequency Range | 0 – 3GHz |
| Working Voltage | 500Vrms |
| Dielectric Withstanding Voltage | 1500Vrms |
| Reflection Factor (VSWR) | 1.06 (max) DC – 1.5GHz 1.33 (max) 1.5 – 3GHz |
| Contact Resistance | Centre contact 1.5mΩ Outer contact 1.0mΩ |
| Insulation Resistance | 5000mΩ |
| Metal Parts | Die Cast Zinc / Ni |
| Centre Pin | Phosphor Bronze / 10µ Au |
| Insulators | UL94 HB TPX |
| Temperature Range | -65 to +85°C |
| Mating Cycles | 250 |
This connector is available as:
XBS-03-RB40-NNV as the connector only product (formerly C-SX-088)
XBS-03-RB40-NNV-AA when supplied with hex nut and crinkle washer (formerly C-SX-069)
XBS-03-RB40-NNV-CA when supplied with 2 slot circular nut and washer (formerly C-SX-162)
| Processing | Maximum wave and hand soldering temperature 265°C |
| Mounting Type | Right Angled |
| Leg Length | 4mm |
| Hardware | Available separately |
The ANB-C20ABN-2.50 is a circular BNC nut which is 2.5mm thick and nickel plated.
This nut was previously sold as 71X-0041-33
The ANB-C2-ABG-2.50 is a circular BNC nut which is 2.5mm thick and gold plated.
This nut was previously sold as 71X-0041-36
The ANB-C2-ANO-4.00 is a circular BNC nut which is 4.0mm thick and made from nylon. It is available in other colours.
This part was previously sold under part number 71X-0046-00
The ANB-C4-ASN-2.50 is a 4 slot circular BNC nut which is 2.5mm thick and made from mild steel with a nickel plating. The mild steel material makes this particularly useful with magnetic tools.
This nut was previously sold as part number 71X-0057-33
The ANB-C2-ABN-3.50 is a circular BNC nut which is 3.5mm thick and made from brass with a nickel plating.
This part was previously sold as 71X-0063-33.
The standard hex nut is made from brass with a nickel plating.
This Hex Nut was previously sold as part number 71X-0018-33.
The BNC crinkle washer is made from brass with a nickel plating.
The crinkle washer was formerly sold under part number 71X-0043-33.