| Electrical | |
| Impedance | 75Ω |
| Frequency Range | 0 - 12GHz |
| Working Voltage | 170Vrms |
| Dielectric Withstanding Voltage | 500Vrms |
| Reflection Factor (VSWR) | 1.07 (max) DC - 12.0GHz |
| Contact Resistance | Centre contact 5.0mΩ Outer contact 2.5mΩ |
| Insulation Resistance | 1000MΩ |
| Connector Type | Female |
| Material | |
| Metal Parts | Brass / Au |
| Centre Pin | BeCu / 10µ Au |
| Insulators | PTFE |
| Environmental | |
| Temperature Range | -65 to +85°C |
| Mechanical | |
| Mating Cycles | 500 |
| Processing | |
| Processing | Maximum hand soldering temperature 265°C |
| General Information | |
| Mounting Type | Edge Mounted |
| Board Thickness | 2.3mm |
| Hardware | Available separately |
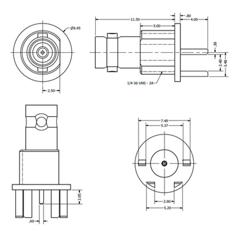
XPS-12-EB23-GGO - Edge Mounted Micro BNC Bulkhead Socket
- Product Code: XPS-12-EB23-GGO
Our range of 12GHz Precision BNC coaxial connectors are optimised for 4K/ Quad HD and Ultra HD Broadcast applications while also meeting the JIIA CoaXPress CXP12 specification. These high performance connectors allow you to achieve a 12GHz channel in one single connection. The Micro BNC connectors are mateable with any standard BNC connector, but to achieve optimum performance we recommend using Cambridge Electronics 12GHz Micro BNC Connectors in both halves. The XPS-12-EB23-GGO connector is a PCB edge mounting Micro BNC bulkhead socket for PCB thicknesses of 2.3mm and has an enlarged flange.
This connector is available as:
XPS-12-EB23-GGO as a connector only part
XPS-12-EB23-GGO-AZ when supplied with a 2 slot circular nut (formerly C-SX-176)
Related Products
Tags: 12GHz, Edge Mounted, Micro BNC,





